某电厂#3机组交流串直流开关跳闸事件分析
2023-09-07 星空(中国)一站式服务平台
电力变压器水喷淋消防几个关键问题
2023-08-28 星空(中国)一站式服务平台
热工仪表各元器件符号
2023-08-23 星空(中国)一站式服务平台
水泵管路安装知识大全
2023-08-17 星空(中国)一站式服务平台
什么是水煤比?什么是中间点温度?
2023-08-14 星空(中国)一站式服务平台
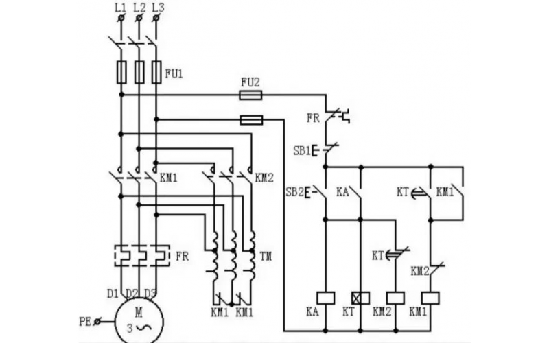
电机的重载和轻载保护值,你还在乱设吗?是有规矩的,看完就懂了
2023-08-11 星空(中国)一站式服务平台
某电厂汽泵最小流量阀快开给水流量急剧下降MFT动作
2023-08-02 星空(中国)一站式服务平台
电动盘车装置
2023-07-31 星空(中国)一站式服务平台