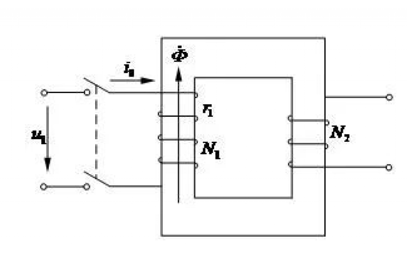
变压器励磁电流大小是否可以控制
2022-07-26 星空(中国)一站式服务平台电气
PLC的IO模块(二)——模拟量和网络IO
2022-07-25 星空(中国)一站式服务平台
PLC的输入/输出(I/O)功能(一)——离散型模块
变频器在调试与使用过程中经常遇到的问题
自动控制系统的输入输出信号详解
2022-07-22 星空(中国)一站式服务平台
机组在线更换伺服阀,需要怎么组织准备?
2022-07-22 星空(中国)一站式服务平台阀门
6#机组DCS如何新增测点经验分享
YT-LM系列液压扳手动力头活塞退不回去原因是什么?
2022-07-21 星空(中国)一站式服务平台工具