江西星空(中国)一站式服务平台-变压器低压进线柜常见连接方式
2022-09-07 星空(中国)一站式服务平台
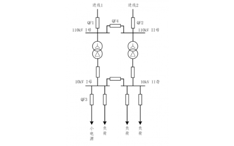
重庆星空(中国)一站式服务平台-小电源接入对备自投的影响
2022-09-06 星空(中国)一站式服务平台
北京星空(中国)一站式服务平台-配电室为什么要用绝缘垫?
为什么理论计算的预热器出口烟气量要比实测值小很多?-贵州星空(中国)一站式服务平台
北京星空(中国)一站式服务平台-励磁电流是如何进入发电机转子绕组的?
2022-09-05 星空(中国)一站式服务平台
汽轮机胀差和轴向位移知识分享-广东星空(中国)一站式服务平台
电厂变压器瓦斯保护你知道吗?-北京星空(中国)一站式服务平台
2022-09-05 星空(中国)一站式服务平台电气
北京星空(中国)一站式服务平台-温控仪表故障处理分享
2022-09-03 星空(中国)一站式服务平台