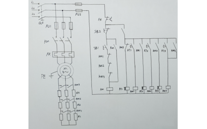
绕线转子异步电动机转子串电阻启动电路解析
2022-11-17 星空(中国)一站式服务平台
EPKS系统简单AI点的组态分享
电气开关设备的智能化知识介绍分享
机械密封漏液的原因及水泵漏液的解决办法
2022-11-16 星空(中国)一站式服务平台
液压扳手同步水泥磨辊压机锁紧盘螺栓紧固
空气绝缘开关柜知识介绍分享
冶金余热回收设备螺栓安装预紧选用KWZK星空(中国)一站式服务平台液压力矩扳手
2022-11-15 星空(中国)一站式服务平台
水轮机安装检修预紧拆卸螺栓选用什么工具更合适?