滤油机智能压力控制器设置?
2023-04-03 星空(中国)一站式服务平台
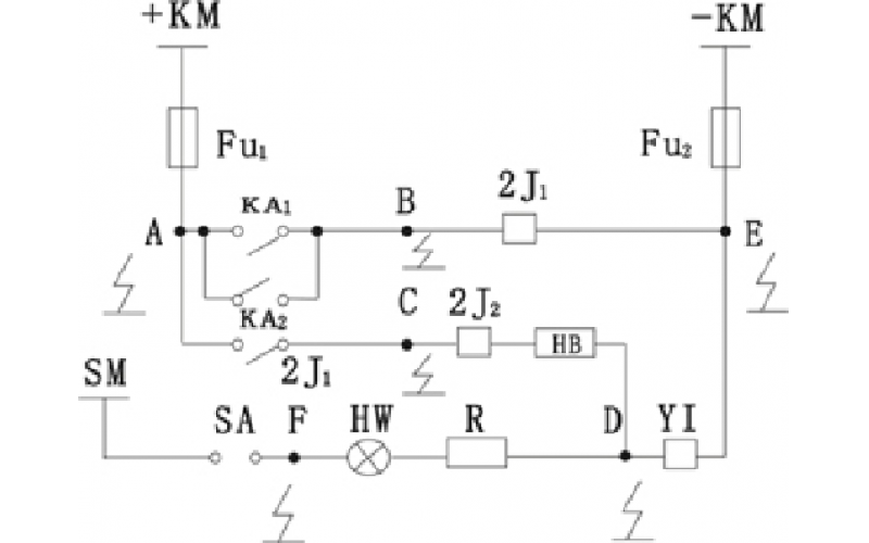
直流系统接地的处理方法知识分享
锅炉各项热损失?
2023-03-31 星空(中国)一站式服务平台
如何规划摄像头监控点位?
板式滤油机设备功能及工作原理!
2023-03-30 星空(中国)一站式服务平台
法兰电加热器知识介绍分享
2023-03-30 231
干烧加热管可以用法兰加热管吗?
现场临电变压器容量选择、配电系统设计、电缆选型以及配电箱设计
2023-03-29 星空(中国)一站式服务平台