行业知识

自控仪表接地知识分享

2022-10-24 09:04:53 星空(中国)一站式服务平台

自控仪表接地知识分享

图片关键词

  工业自动化是综合性应用技术,自动化也是工业化向着现代化发展的必要途径。化工仪表在生产过程中,能够对工艺过程的各种参数进行有效的检测,实现数据信息的远距离传输,为工业控制系统记录数据和处理生产过程中的各种过程变量提供的有效信息。这些仪表多为敏感的电子线路组成,而在工业环境中存在各种干扰源,如开关柜、接触器、继电器、计算机、变频器、电焊机、变压器等,这些外界干扰源都有可能影响工业过程测量与控制装置的稳定性。合适的接地形式,不仅可以保护设备与人身安全,亦可以增强系统的稳定性,不受外界干扰,保证系统正常运行。


保护接地

保护接地(也称为安全接地)是为人身安全和电气设备安全而设置的接地。

各种用电仪表的金属外壳及自控设备正常情况不带电的金属部分,由于非正常现象的出现(如绝缘破损等),而有可能使其带有危险电压,对这样的设备,均应实施保护接地。保护接地就是给危险电压提供一条通路,使之不经过人体。


工作接地

仪表及控制系统工作接地:仪表信号回路接地、本质安全系统接地、屏蔽接地。


信号回路接地是为了保证信号有稳定的基准电位而设置的接地。在自动化系统和计算机等电子设备中,非隔离的信号需要建立一个统一信号参考点,保证电子设备稳定可靠地工作,为此电子设备的信号电路应接地,也称为信号地。这里的“地”通常为直流电源负极。



装置内部工作接地的接法

一、低频电路应遵循“一点接地”原则。

二、工作频率超过30MHz的高频电路采用平面式多点接地。

三、混合电路中低频电路、功率回路和高频回路多点接地后再放射式接地。因工程设计中自控仪表均为成品,此部分接地设计由设备厂家设计。


现场仪表工作接地的连接接法

1)现场仪表的工作接地一般应在控制室侧接地。

图片关键词

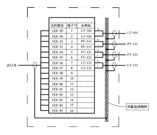
图1 信号回路在集中安置仪表侧接地时工作接地方法


2)要求或需要在现场接地的现场仪表的工作接地,应在现场侧接地。

图片关键词

图2信号回路在现场仪表侧接地时工作接地方法


3)现场仪表接线箱两侧的电缆屏蔽层应在箱内跨接。多芯电缆备用芯宜在箱内做端子连接。如图3所示。

图片关键词

图3现场仪表箱两侧的电缆屏蔽层连接


屏蔽接地

屏蔽接地的目的是为了防止设备内部或外部电磁感应或静电感应的干扰而对屏蔽体进行接地。在自控仪表接地设计中,仪表系统接地设计规范认为已做了保护接地的自控设备即可认为已做了静电接地。控制室做静电地板时,静电接地电阻应与保护接地合用接地系统。


防雷接地

仪表及控制系统防雷接地仅是仪表及控制系统防雷工程的一个组成部分,仅对仪表及控制系统防雷接地作出一般规定。国家标准GB50057《建筑物防雷设计规范》提供了很好的依据和参考,规定了防直击雷、防雷电感应和防雷电波侵入。


本安接地

本安接地,主要依据厂家要求。齐纳安全栅需要本安接地,隔离安全栅则不需要接地。


防静电接地

静电放电的特点是高电压、小电流、时间短。抑制或消除静电放电应采取多种措施,除尽量避免产生静电外,及时泄放静电是有效手段之一。仪表及控制系统的防静电接地比较简单,静电导体对地的泄放电阻通常是104~106Ω数量级的,所以,很多相应的规范、资料规定用于防静电接地的电阻为100Ω。并且,防静电接地应与其它接地系统共用接地装置。

图片关键词

图片关键词

DCS接地分类

在一般情况下,DCS控制系统需要两种接地:保护地和工作地(逻辑地、屏蔽地等)。对于装有安全栅防爆措施的系统如化工行业所用的系统,还要求有本安地。


1- 保护地(CG,Cabinet Grounding)

是为了防止设备外壳的静电荷积累、避免造成人身伤害而采取的保护措施。DCS系统所有的操作员机柜、现场控制站机柜、打印机、端子柜等均应接保护地。保护地应接至厂区电气专业接地网,接地电阻小于4Ω。


2- 逻辑地

也叫机器逻辑地、主机电源地,是计算机内部的逻辑电平负端公共地,也是+5V等的电源输出地。如CPU的正负5伏、正负12伏的负端。需要接入公共接地极。


3- 屏蔽地(AG,Analog Grounding)

也叫模拟地,它可以把现场信号传输时所受到的干扰屏蔽掉,以提高信号精度。DCS系统中信号电缆的屏蔽层应做屏蔽接地。线缆屏蔽层必须一端接地,防止形成闭合回路干扰。铠装电缆的金属铠不应作为屏蔽保护接地,必须是铜丝网或镀铝屏蔽层接地。接入公共接地极。


4- 本安地

应独立设置接地系统,接地电阻≤4Ω。本安地的接地系统应保持独立,与厂区电气地网或其它仪表系统接地网的距离应在5m以上。


仪表电缆屏蔽层与接地

一、仪表电缆屏蔽层的作用

仪表信号电缆通常选用带有屏蔽层的电缆,屏蔽层一般是金属丝编织的网,以防止电磁干扰信号叠加到正常信号上,造成测量、控制误差,甚至影响控制系统、二次仪表的正常运行。


二、电缆屏蔽层接地方式

为防止电磁干扰信号叠加到正常信号上,电缆屏蔽层必须接地,通常接到仪表工作接地上。电缆屏蔽层通常有几种方式:

1、控制室侧接地,现场端浮空。大多数情况,仪表电缆屏蔽层在现场端浮空,在控制室侧接地,一般接到控制柜、仪表盘的工作接地母排上,如图:

图片关键词

2、控制室侧浮空,现场端接地。仪表电缆屏蔽层也有在现场端接地,在控制室侧浮空,如接地型热电偶、pH计溶液、电磁流量计等,在应用中应按照仪表厂家提供的资料要求进行接地,如图:

图片关键词

3、在实际应用中也有一些要求信号回路、信号源、接受仪表的公共端都要接地,在这种情况下,应采用电器隔离器,将两个接地点隔离开,如图:

图片关键词

4、电缆屏蔽层的电气连续性。在实际应用中,通常会采用现场接线箱将每台仪表信号电缆(分电缆)连接到现场接线箱,再用一根多芯屏蔽电缆(总电缆)连接到安装在控制室的控制柜、仪表盘,这种情况下在现场接线箱内应将屏蔽层与总电缆的屏蔽层连接在一起,以保持电缆屏蔽层电气连续性。


三、电缆屏蔽层为什么不能多点接地

由于地电位差的存在,如果两个以上的接地点,在屏蔽层形成的电流回路,感应到信号线上形成干扰,不但起不到屏蔽作用,反而引进干扰。尤其在变频器用的多的场合,干扰中含有各种高次谐波分量,造成影响更大。所以同一信号回路、同一屏蔽层只能有一点接地,不能有两个以上的接地点。








首页
产品
新闻
联系