行业知识

DCS系统安装调试方案

2025-01-13 11:32:36 星空(中国)一站式服务平台

DCS系统安装调试方案

图片关键词

DCS系统调试主要分系统调试和联调两部分工作。

一、系统调试是系统到现场后,对系统硬件、组态软件进行现场检验的过程,以确保DCS系统的硬件、软件满足实际生产运行的要求。

二、联调工作是系统同现场的一次测量元件联动调试的过程,确保能够正常反映现场实际的工艺状况,驱动现场的执行机构。

三、一般先做调试,后做联调。

以上工作由厂方技术人员及我方人员共同完成,系统调试期间的工作以厂方技术人员为主,我方人员协助并服从厂方技术人员的工作安排。

调试的主要工作:

一、硬件开箱、安装 。

开箱检验、安装时必须有供货厂家的人员在场,由双方共同完成并在有关文件上签字确认。经过厂家技术人员对安装现场进行确认并同意后实施安装。

二、通讯网络设置、连接、标号 。

由DCS厂家技术人员对本套设备进行组网连接、IP设置、标号等工作,我方人员参与协助工作。

三、系统上电

系统上电前必须确认供电、接地良好,包括接地端子接触、接地端对地电阻。

1.首先合上配电箱的总断路器,检查输出电压是否符合220V±10%;

2.合上配电箱内的各支路断路器,分别检查输出电压;

3.若配有UPS或稳压电源,检查UPS或稳压电源输出电压是否正常,不正常则查找原因,恢复后才能继续以下上电步骤;

4.控制站上电( 电源箱依次上电检查;机笼配电检查;卡件自检;卡件冗余测试等)

5.操作站上电( 操作站的显示器、工控机等设备上电;计算机自检通过,检查确认Windows系统软件、JX-300Xp系统软件及应用软件的文件夹和文件是否正确;硬盘剩余空间测试)

四、系统停电步骤:

1.每个操作站依次退出实时监控及操作系统后,关操作站工控机及显示器电源;

2.逐个关控制站电源箱电源

3.关闭各个支路电源开关;

4.关闭不间断电源(UPS)电源开关;

5.关闭总电源开关。

五、调试

1、硬件测试

目的:为了检测控制站硬件是否工作正常

根据系统组态的信号通道、信号类型、信号量程等资料,对每一通道进行25%、50%、75%三点测试,并记录相应数据。为了正确的测试数据,要求测试时各测量工具的精度等级不低于0.2级。

常见信号测试方法:

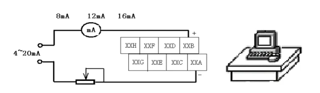
4-20mA配电

所需工具为电阻箱、电流表和若干导线。将配电卡件通道、电阻箱和电流表构成一回路,调节电阻值使电流表分别指示在8mA(25%)、12mA(50%)和16mA(75%),记录实时监控中相应位号的值。

图片关键词

4-20mA不配电

所需工具为电流信号发生器、电流表和若干导线。将卡件通道、电流表、电流信号发生器串成一回路,调节电流信号发生器使电流表分别指示在8mA(25%)、12mA(50%)和16mA(75%),记录实时监控中相应位号的值。

图片关键词

热电阻

所需工具为电阻箱、分度表和若干导线。根据组态量程,确定所需测量的三点温度点,查分度表得出相应的电阻值,通过电阻箱引入对应卡件的接线端子,记录实时监控中相应位号的值。

图片关键词

热电偶

所需工具为毫伏信号发生器、温度计、分度表和若干导线。根据组态量程,确定所需测量的三点温度点,根据分度号查分度表得出相应的毫伏电压值,通过毫伏信号发生器引入对应卡件的接线端子,记录实时监控中相应位号的值。

图片关键词

4-20mA输出

所需工具为电流表。AO信号不能直接输出,只能通过相应的控制回路给出阀位值。根据组态,通过相应的回路找到相应的输出位号的端子,使回路输出分别在25%、50%、75%,用电流表在端子后测出相应的电流,并记录。

图片关键词

DI(干触点)

所需工具为导线。将导线短接相应的端子,观察对应卡件通道指示是否正确。

图片关键词

DO(干触点)

所需工具为万用表。在实时监控下闭合DO点,用万用表测量相应通道是否短路。

图片关键词

2、系统联调

联调前现场应具备的条件:

(1)具备系统安装调试阶段所需的一切条件

(2)控制柜内接线工作完成

(3)现场接线工作大部分完成

(4)确定联调配合人员

联调方法:

基本和调试同,只是调试使用模拟信号,联调采用真实信号。

一般现场联调的情景是这样的;有两名工程师,1名在现场,1名在控制室,以对讲机等通讯设备进行联络,一一进行调试、确认。

联调内容:

1.对各模拟信号进行联动调试,确认联线正确,显示正常。

2.对各调节信号进行联动调试,确认阀门动作正常、气开气关正确、根据工艺确定正反作用。

3.联系现场设备,确定DO信号控制现场设备动作正常,DI信号显示正常。

4.联系现场设备,确定控制方案动作正常,联锁输出正常,能满足工艺开车的需要。

5.检查是否具备投运条件

六、系统投运

在系统投运前,应具备以下条件:

(1)系统联调完成,各测点显示正常,各阀门、电机等动作正常。

(2)最终控制方案经过模拟运行,确保正常进行。

(3)厂方确认工艺条件成熟,可以进行投运。

(4)工程人员确认系统正常,可以进行投运。

(5)操作人员、维护人员经过现场操作、维护培训。

控制回路的投运:

投运前必须对控制回路的正反作用进行再次的确认判断。

控制回路的投运应遵循“先手动,后自动”的原则,在手动调节稳定的前提下,进行自动运行。串级回路“先投内环,后外环”。

七、控制方案成型

最终确定各回路控制方案,及整体组态文件。对最终组态文件进行备份存档并妥善保存

首页
产品
新闻
联系