行业知识

应急重力滑行装置在副井提升机的应用知识分享

2023-05-08 09:07:01 星空(中国)一站式服务平台

应急重力滑行装置在副井提升机的应用知识分享

导读

针对煤矿副井提升机因故障无法正常运行、罐笼中途紧急停车、乘员被困的问题,提出了采用应急重力滑行装置进行紧急救援的技术方案。介绍了应急重力滑行装置的研究背景,提出了 3 种应急重力滑行装置的技术方案,对比分析了 3 种方案与原电控系统的关联程度以及各自的特点。以单相备用电源+应急液压站+应急操控台的技术方案为例,阐述了其工作原理及双闭环控制策略;针对备用电源的选型,结合各方案的设备配置情况,给出了指导性意见。

副井提升机用于升降人员和物料。在运行过程中,一旦出现供电失败,或者电动机、减速器、调速器 (变频器) 等关键部件出现重大故障,提升机被迫中途停车,提升容器中的乘员被困井筒。副井提升机如果不能在短时内恢复运行,被困人员可能出现急躁、焦虑等不良情绪,安全隐患则随停机时长的增加而增加。出现上述故障后,要在尽可能短的时间内恢复副井提升机的运行,哪怕是低速运转进行应急提升。在故障当次恢复提升机运行,将乘员撤离到井口或其他安全处;也可根据实际需要,继续应急提升,直至完成应急救援任务。

《煤矿安全规程》第四百零一条规定:检修时,提升容器的速度一般为 0.3~0.5 m/s,最大不得超过 2 m/s。


1、应急重力滑行装置

灵东煤矿副井采用 JKM 4×4(Ⅲ) 型提升机,其直流电动机的功率为 1 500 kW,系统供电电压为 10 kV。若提升机因停电等故障无法正常运行,简单做法是利用 1 台备用柴油发电机作为电源。按照提升负荷的需要,发电机的装机容量至少为额定容量的 1.6 倍;此外,至少需要增设 1 套 2 400 kW/10 kV 三相高压发电机组、1 台 10 kV 高压开关柜、1 组安装上述设备的机房 (包括油料库)。


上述装备和相应的基建费用相对较多,日常管理和维护也需要一定的成本;但全矿停电事故发生的概率较小,大型设备常备而不常用,造成资源的浪费。


在应急救援中,提升机也需要提升或下放重物。在下放重物的过程中,提升机处于发电状态,促使网侧电压 (灵东矿为 10 kV) 泵升,电压泵升至一定值,可能损害包括三相高压发电机组在内的与该电网相关的设备和元件,这为应急救援埋下了安全隐患。在此情形下,较好的处理方式是通过液压制动系统,借助提升钢丝绳的张力差或乘员的重力,控制副井提升机在安全速度下滑行,将被困人员应急提升至安全位置,如井口、井底或中段水平马头门处,安全撤离。


2、应急重力滑行装置技术方案

2.1 方案内容

针对副井提升机应急重力滑行装置的选择,笔者提出了 3 种技术方案,具体方案内容如表 1 所列。


表1 应急重力滑行装置的技术方案

图片关键词

3 种方案中,方案 1 相对独立于原控制系统及液压站;方案 2 应急时使用原操作台对提升机重力滑行进行启停和速度控制;方案 3 增设三相备用电源为控制系统及液压制动系统供电。液压站中油泵电动机为AC 380 V 三相交流电动机,考虑此电动机启动时的冲击电流,三相备用电源的容量要大于方案 1 和方案 2 中的单相备用电源容量。


2.2 原理分析

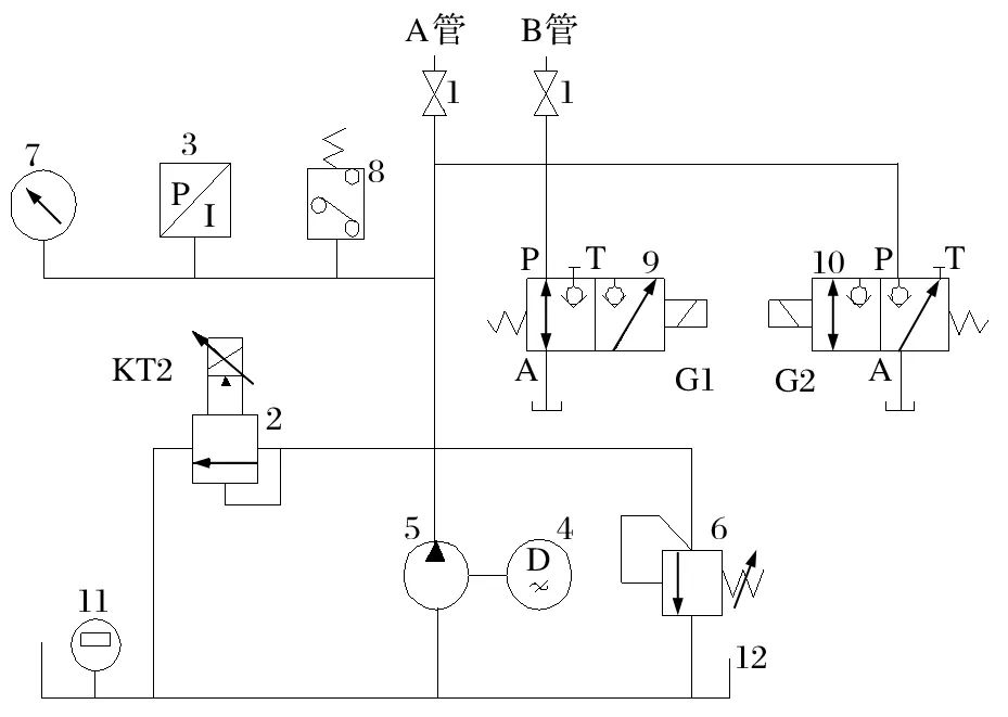
以方案 1 为例,其原理框图如图 1 所示。图 1 中虚框内为原电控设备和液压站,其中:a 为辅助电源 (AC 380 V),双回路进线,为电控设备和液压站供电;b 为网络化操作台;c 为 PLC 控制柜;d 为液压站。

图片关键词

图1 应急重力滑行装置的工作原理


1.单相备用电源 2.应急操控台 3.应急液压站 4.手动单向阀5.测速元件 6.提升机主井设备    7.制动器


图1 中,应急操控台 2 作为重力滑行应急提升的控制设备,由单相备用电源 1 (AC 220 V) 供电,并对应急液压站 3 进行控制;应急液压站中的油泵电动机为单相交流电动机或直流电动机,转速和容量与油泵相匹配。如同原液压站,应急液压站输出油管也设有 2 只手动截止阀 4.1,通过三通分别接入液压制动系统油路的 A 管和 B 管。正常情况下,关闭手动截止阀 4.1,液压制动系统的油压由原液压站控制;应急提升情况下,打开手动截止阀 4.1、关闭 4.2,液压制动系统的油压由应急液压站控制;通过切换手动截止阀 4.1 和 4.2 的状态,进行日常提升或应急提升。


3、应急液压站及其双闭环控制

3.1 工作原理

重力滑行是利用提升系统的不平衡力来移动提升容器,速度由液压站通过松闸和合闸进行控制。本应急系统不设驱动动力,松闸的情况下,较重一侧的罐笼下降,较轻一侧上升。应急液压站是应急重力滑行装置的重要部件,其原理如图 2 所示。应急液压站安装时,油路通过三通阀分别与原油路的 A 管、B 管连接。使用应急液压站前,当盘式制动器处于全制动的状态下,将 2 个手动截止阀打开,同时关闭原液压站的手动截止阀。

图片关键词

图2 应急液压站的工作原理


1.手动截止阀 2.比例溢流阀 3.压力传感器 4.油泵电动机5.油泵 6.安全溢流阀 7.压力表        8.压力继电器9,10.安全电磁阀 11.温度表 12.液压站箱体


图2 中,应急液压站的油泵电动机 4 要优先选择直流电动机或单相交流电动机,方便由直流备用电源或单相交流电源供电,并要求具有一定的续航能力;比例溢流阀 2 可设定应急液压站的额定工作油压,通常与原液压站的额定工作油压相匹配;比例溢流阀受应急操控台上速度操纵杆控制,从而控制应急液压站的实际压力,达到控制重力滑行速度的目的。参考《煤矿安全规程》第四百零一条规定,重力滑行速度通常限制在 1 m/s 以内。


应急液压站的工作过程:安全电磁阀 G1 得电、G2 断电,油泵电动机 4 运转,比例溢流阀 KT2 处于卸油状态,等待应急操控台的指令;当比例溢流阀 2 收到开闸信号,应急液压站开始升压,油压根据开闸信号大小可以连续线性控制,随着压力上升,盘式制动器逐渐松闸,在两侧罐笼不平衡力的作用下,提升机往较重的一侧低速滑行。配套的应急操控台具有保护措施,当发生超速、闸盘超温、压力过压等故障时,应急操控台可声光报警;同时,比例溢流阀 2 和安全电磁阀 G1 断电、G2 得电,应急液压站卸压,使提升机安全制动,重力滑行停止。应急液压站的联锁基本要求如表 2 所列。表中,“-”代表断电,“+”代表得电。

表2 应急液压站的联锁要求

图片关键词

3.2 双闭环控制

利用应急操控台上操纵杆控制应急液压站的松闸或合闸,从而控制重力滑行速度,通过油压和滑行速度的双闭环控制,达到稳定滑行速度的目的。双闭环控制原理如图 3 所示。

图片关键词

图3 双闭环控制的原理


1.非接触式温度传感器 2.应急液压站 3.功率放大器 4.油压斜率限制器 5.油压调节器          6.滑行速度调节器


图3 中,双闭环的内环为油压闭环,设有油压调节器 5、油压斜率限制器 4 和功率放大器 3。功率放大器的输出直接控制比例溢流阀 2.2 的线圈,使得应急液压站的油压随电信号作线性变化;油压斜率限制器对油压的变化速率进行限制,以免油压变化太快,影响滑行速度的平稳性。经过一定时间的重力滑行,闸盘可能过热,当非接触式温度传感器 1 检测到过热情况,发出指令使应急液压站实施安全制动,在油压斜率限制器的作用下,更平稳地紧急停车。压力闭环的反馈信号取自压力传感器 2.1。Ug 为滑行速度给定信号,由应急操控台上操纵杆控制,速度闭环的反馈信号取自安装于提升机主轴的测速机或光电编码器。根据速度和压力的跟随情况,双闭环的滑行速度调节器 6 和油压调节器 5 可设置为 PI 或 P 调节器。


4、备用电源的选型

4.1 选型原则

首先,备用电源的选型主要以重力滑行所用液压站中油泵电动机的额定容量 (电流) 和电压作为基础参数。考虑油泵电动机在直接启动瞬间,最大电流可能是其额定电流的 5~ 7 倍;加之应急重力滑行装置还有其他负荷,备用电源的额定容量通常不小于应急液压站 (方案 1 和方案 2) 或原配液压站 (方案 3) 中油泵电动机额定容量的 10 倍。如果采用方案 1 和方案 2,其油泵电动机的额定容量为 1.0 kW/单相 AC 220 V,则备用电源的额定容量通常不小于 10 kW/单相 AC 220 V;如果采用方案 3,其油泵电动机的额定容量为 3.0 kW/三相 AC 380 V,则备用电源的额定容量通常不小于 30 kW/三相 AC 380 V。


其次,备用电源的续航能力是个重要的参数,必须在设计选型中予以体现。以重力滑行的平均速度 0.5 m/s 计,备用电源的续航时间至少为 H/0.5 (H 为提升高度,m),并留有充分的裕量。例如,提升高度 H 为 500 m,按平均速度 0.5 m/s 重力滑行一个行程,至少则需 17 min,考虑一定的裕量,备用电源的续航能力通常为不低于 30 min。


4.2 方案选择

备用电源有两种选择:一是不间断电源 UPS;一是交流发电机组。


(1) UPS 主要由整流器、逆变器和电池组等组成。UPS 额定容量取决于其整流器和逆变器容量,输出的额定电流与其容量成正比;UPS 的续航能力取决于电池组的容量,电池组的容量越大、续航能力越强,如果要求 UPS 输出容量大且续航时间长,则需配置相当多数量的电池。UPS 的优点在于静音;缺点在于需要定期或经常处于在线充电状态,一旦长时间不在线,电池组的能量可能耗净或大为减少,应急时 UPS 不能发挥作用或续航能力不够。市场上 UPS 的输出多为单相,如果采用方案 1 和方案 2,可选用;UPS 也有三相输出,但是三相大容量的 UPS,在设备体积、价格、日常维护保养方面不具有优势,如果采用方案 3,通常不选用 UPS 作为备用电源。


(2) 交流发电机组可分为单相发电机和三相发电机两种。单相发电机输出电压为 AC 220 V,方案 1 和方案 2 可选用;三相发电机输出电压为 AC 380 V,方案 3 可选用。燃油发电机是依靠柴油或汽油燃烧产生动力带动发电机组的,相较于 UPS,其优点在于耐用,续航能力取决于备用油料量;缺点在于有噪声和尾气排放,对小环境有一定的不利影响。


5、干预重力平衡

在两边罐笼交锋的区域内,且两边罐笼载重相差无几的情况下,钢丝绳张力差接近于零或较小,即张力处于平衡状态。此时,制动闸即使全部松开,罐笼也可能处于静止状态,无法滑行。打破张力平衡状态最简单的做法是人为干预,推动卷筒转动。在张力平衡状态下,人为干预使卷筒转动并不困难。在有条件的煤矿,可设置重力平衡破坏装置,如在卷筒的内侧增设内齿圈,以及与内齿圈配套的齿轮,通过小型电动机驱动齿轮带动卷筒转动,达到破坏重力平衡的目的;也可以在提升机的主轴上、减速器的输出轴或主电动机的输出轴上增设小型驱动装置,也能达到破坏重力平衡的目的。


需要注意的是,重力平衡破坏装置所使用的电源要与备用电源相匹配,包括电压等级和容量等。


6、结语

灵东煤矿副井应急重力滑行装置采用技术方案 1,即单相备用电源+应急液压站+应急操控台的方案,单相备用电源采用小型单相柴油发电机组。安装后,经轻载、半载和全载的调试和试验,重力滑行速度平稳,闸盘温度控制在容许的范围内。矿方制定了相应的设备运维管理措施,做到平急结合,确保在应急过程中,设备安全可靠,乘罐人员能够撤离到安全地点,这为乘罐人员的应急救援增添了一个新的方案。


TAG: 提升机
首页
产品
新闻
联系