新闻动态
KWZK星空平台
网站首页
星空(中国)一站式服务平台
公司简介
在线反馈
联系我们
产品展示
全部
传感器/变送器
流量计系列
液位/料位系列
阀门/执行装置
液压/气动元件
检维修工器具
化验/分析仪器
其他机电仪产品
新闻动态
全部
行业知识
企业新闻
资料下载
客户案例
新闻动态
推荐
热门
最新
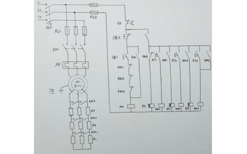
绕线转子异步电动机转子串电阻启动电路解析
绕线转子异步电动机转子串电阻启动电路解析
2022-11-17
星空(中国)一站式服务平台
上一页
1
下一页
转至第
首页
产品
新闻
联系
米兰买球
|
乐鱼平台_乐鱼(中国)一站式服务平台
|
安博官方网站
|
kaiyun体育(中国)有限公司官网
|
kaiyun平台
|
开云电子_开云电子(中国)
|
九游登陆入口
|
九游娱乐(NineGame)手游平台
|
乐鱼买球(中国)官方网站
|