汽机机组振动原因和预防知识分享
2023-10-17 星空(中国)一站式服务平台
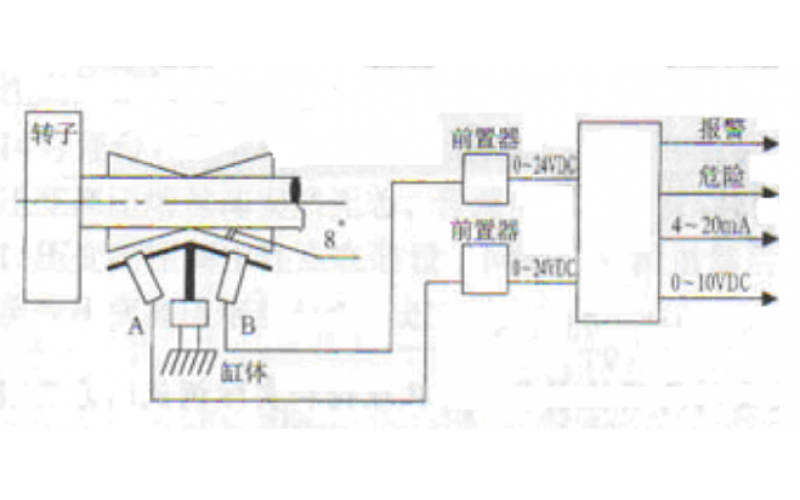
汽轮机胀差、轴位如何定零位?
2023-05-22 星空(中国)一站式服务平台
汽轮机胀差和轴向位移知识分享-广东星空(中国)一站式服务平台
2022-09-05 星空(中国)一站式服务平台