新闻动态

  • 适用于耐磨抗腐蚀工况:新推出内衬聚氨酯刀型闸阀

    聚氨酯刀型闸阀阀体的所有与介质接触的表面都衬有聚氨酯。粘合工艺增强了聚氨酯的机械性能和耐磨性能,从而在恶劣的渣浆环境中形成坚固的阀座密封。

    2024-11-06 星空(中国)一站式服务平台

  • 无线测温系统,如何更好监测高压带电设备?

    据了解,高压开关柜是目前很多企业配电系统重要组成部分之一,为了避免高压开关柜出现不必要的问题,无线测温系统的存在就显得尤为重要.因为无线测温系统技术可以实现对其实时动态监测,有助于相关工作人员根据高压开关柜的温度变化采取相应的应对措施,避免意外情况的发生,有效促进了高压开关柜的正常运行。

    2024-08-21 星空(中国)一站式服务平台

  • 升压站GIS SF6气压降低、绝缘击穿导致330kV全站失电案例分析

    事故前工况 330kV系统为双母线固定联结接线方式:1、2号发电机分别经1、2号主变接入330kVⅠ、Ⅱ母;3300母联开关合闸。 330kVⅠ母:XX I线3351开关合闸、1号机组3301开关合闸。(#1机组正在运行) 330kVⅡ母:XX Ⅱ线3352开关合闸。2号机组3301开关分闸,33021Ⅰ母、33022Ⅱ母刀闸分闸,330217接地刀闸分闸。(#2机组正在启动,准备并网) 330kV系统母线保护为双重化配置,分别配置国电南自SGB750和深圳南瑞BP-2B母线保护各一套。 4月12日16:30,1号机组负荷198MW,AGC、AVC投入,ABCD磨煤机运行,煤量90T/H、主汽压力13.81 MPa、主汽流量640T/H,发生跳闸;因此#2机组停止并网。

    2024-05-14 星空(中国)一站式服务平台

  • 低压三相短路,连跨5级跳总开关

    有电友分享,说他们车间有台设备,电柜的顶上之前做了一排通风管道,现在没有用了,最近天气原因,再加上电房靠近热水池边,热气进入管道,凝结水珠掉入刀闸底座上面,由于上面又有灰尘,造成三相短路,电房里低压有3级断路器,高压有两级断路器。但最终跳了户外的高压断路器。

    2024-04-24 星空(中国)一站式服务平台

  • 智能变电站继电保护配置原则及技术要求

    智能变电站继电保护配置原则及技术要求

    2023-10-23 星空(中国)一站式服务平台

  • 继电保护考试实操试验知识分享

    继电保护考试实操试验知识分享

    2023-10-16 星空(中国)一站式服务平台

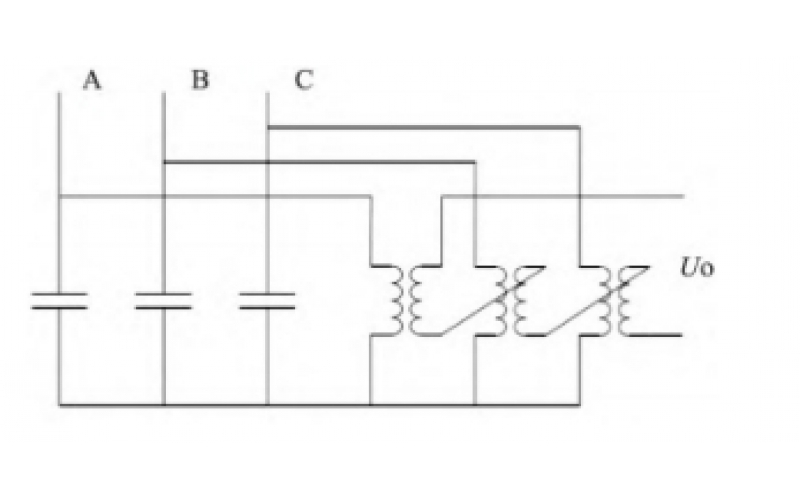
  • 电容器组不平衡保护四种接线方式

    电容器组不平衡保护四种接线方式

    2023-09-25 星空(中国)一站式服务平台

  • GIS设备投运检查及设备巡视要求

    GIS设备投运检查及设备巡视要求

    2023-09-04 星空(中国)一站式服务平台

上一页1234下一页 转至第
首页
产品
新闻
联系